Hai teman-teman, berikut ini akan disajikan Contoh soal pengukuran dan alat ukur fisika, jawaban serta pembahasan. Semoga saja Contoh soal pengukuran dan alat ukur fisika, jawaban serta pembahasan ini memberikan manfaat yang banyak untuk kita semua.
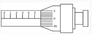
Soal No. 1) Sebuah plat logam diukur ketebalannya dengan menggunakan mikrometer sekrup dan menunjukkan skala seperti pada gambar. Tebal plat logam tersebut adalah ….

a. 4,04 mm
b. 5,02 mm
c. 5,05 mm
d. 6,00 mm
e. 7,08 mm
Jawaban : D


Soal No. 2) Untuk mengukur tebal suatu balok kayu digunakan jangka sorong seperti gambar.

Tebal balok kayu adalah…
a.0,31 cm
b.0,40 cm
c.0,50 cm
d.0,55 cm
e.0,60 cm
Jawaban: D
Pembahasan:
1)Panjang yang terukur adalah dari skala 0 skala tetap sampai skala 0 skala nonius (lihat gambar).
2) (Menentukan hasil pengukuran yang terbaca pada skala tetap).
Skala tetap = 5 mm = 0,5 cm.
INGAT!
Dari milimeter (mm) ke sentimeter (cm) dibagi 10.
Langkah 3 (Menentukan hasil pengukuran yang terbaca pada skala nonius).
Terlebih dahulu cari skala nonius yang berimpit dengan skala tetap.

Skala nonius = 0,5 mm = 0,05 cm.
Langkah 4 (Jumlahkan hasil pengukuran skala tetap dengan hasil pengukuran skala nonius).
Tebal balok kayu = 0,5 cm + 0,05 cm = 0,55 cm.
Soal No. 3) Kedudukan skala sebuah mikrometer sekrup yang digunakan untuk mengukur diameter sebuah bola kecil seperti gambar berikut:
Berdasarkan gambar tersebut dapat dilaporkan diameter bola kecil adalah …
a. 11,15 mm
b. 9,17 mm
c. 8,16 mm
d. 5,75 mm
e. 5,46 mm
Jawaban : C
Pembahasan :

Soal No. 4) Kedudukan skala sebuah mikrometer sekrup yang digunakan untuk mengukur sebuah bola kecil seperti gambar.

Berdasarkan gambar tersebut dapat dilaporkan diameter bola kecil adalah…
a.11,15 mm
b.9,17 mm
c.8,16 mm
d.5,75 mm
e.5,46 mm
Jawaban: C
Pembahasan:
Langkah 1 (menentukan hasil pengukuran yang terbaca pada skala tetap).
Skala tetap = 8 mm.
Langkah 2 (menentukan hasil pengukuran yang terbaca pada skala nonius).
Terlebih dahulu mencari skala nonius yang berimpit dengan garis tengah skala tetap.

Skala nonius = 16 x 0,01mm = 0,16 mm.
Ingat!
Pembacaan skala nonius, angka pada skala nonius selalu dikali dengan 0,01 mm.
Langkah 3 (Jumlahkan hasil pengukuran skala tetap dengan hasil pengukuran skala nonius).
Diameter bola = 8 mm + 0,16 mm = 8,16 mm.